The Museum of HP Calculators


This article is Copyright © 1975 by Hewlett-Packard and is used by permission. The article was originally published in the November 1975 issue of the Hewlett-Packard Journal. If errors crept in during the scanning process, please contact Dave Hicks

Inside the New Pocket Calculators

The HP-21 type of calculator isn't just a stripped-down version of older HP pocket calculators, but an entirely new design.

by Michael J. Cook, George M. Fichter, and Richard E. Whicker

THE HP-21 AROSE FROM THE NEED to follow its predecessor, the HP-35, with a lower-priced hand-held scientific calculator. The HP-35 was, in a way, a tough act to follow. Its low-cost successor couldn't be merely a stripped-down factory special, for it isn't possible to change part of the HP-35 design without destroying the integrity of the design.

Instead, the HP-21 required a totally fresh design with an integrity of its own, taking advantage of late refinements of technology in the areas of displays, integrated circuits, batteries, and assembly.

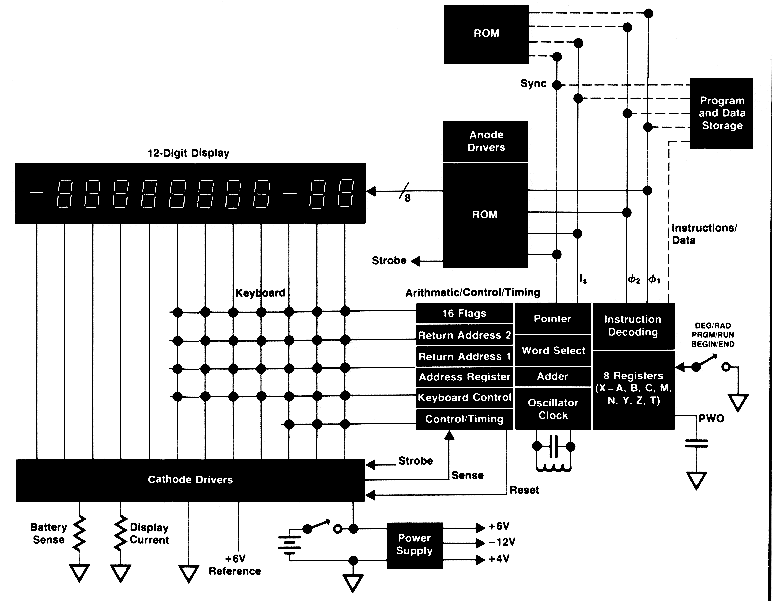
The HP-21, for the most part, uses the architecture of the HP-35 but requires fewer integrated-circuit packages to implement all the functions found in the earlier chip set (see Fig. 1). Two reductions in package count were obtained by combining the anode drivers with the ROM into one 18-pin plastic package and by incorporating all the arithmetic, register, and control circuits on a second chip in a 22-pin plastic package. Clock driving circuits are contained on each chip, thereby saving one more package.

Another improvement, both in cost and in appearance, is the use of a smaller, two-cell battery. The nominal 2.5-volt supply must be converted to four volts for operating the displays, resulting in some loss of efficiency, but since the bipolar display cathode driver now used does not require a converted voltage, the loss is nearly made up.

Arithmetic, Control, and Timing Circuit (ACT)

This circuit combines the functions of the first generation's arithmetic and register circuit, control and timing circuit, and clock driver circuit and includes several new capabilities. All of these circuits could not simply be put together unchanged because more pins would have been required than were on the package. To reduce this number, several pins are used for multiple functions. The cathode driver scans the key rows, so the ACT circuit needs only five lines to scan the key columns and one line to synchronize the cathode driver, instead of the previous design's eight lines for the key rows and five lines for the key columns. One line is used to send display data to the ROM and anode driver as well as to send addresses and receive instructions. The older design used ten lines for these functions.

The addressing structure has been changed to allow direct addressing of 4096 instructions. This means that at the end of a subroutine, control can pass back to the calling location from any location, instead of from only 255 locations. An additional level of subroutine nesting is included, so one subroutine can be called from within another. The number of status bits is increased to 16, and a four-bit register has been added to remember the display format requested by the user.

The original HP-35 stack is retained, but there are now two storage registers on the ACT circuit instead of only one. This is not readily apparent to the HP-21 user unless he needs to use the full stack and do transcendental functions at the same time. In the HP-35 the highest entry of the stack was lost, whereas in the HP-21 it is not lost. The stack registers are labeled X (display), Y, Z, and T. The storage registers are M and N. There are three working registers: A (= X), B, and C.

The ACT circuit also performs hexadecimal (modulus 16) arithmetic in addition to decimal. This function is used in display formatting in the HP-21 and HP-25, but may be of more interest to designers if the ACT circuit is to be used in instruments.

Data Storage Chip

This optional chip is used in the HP-22 and HP-25. To allow it to store programs, it was arranged that keycodes could be sent either to the ROM or to the A register on the ACT chip, and that the A register could send previously stored keycodes to the ROM. The C register communicates with the data storage registers, so by exchanging portions of the contents of the A and C registers, keycodes could be sent to and retrieved from the data storage registers. To aid in editing programs (i.e., sequences of keycodes), a circular shift function was added to the A register. This enables the data in the A register to be rotated without losing information.

The data storage chip is more versatile than its predecessor in that direct register addressing is possible, that is, the instruction itself contains the number of the register into which data is to be stored, or from which data will be retrieved. Previously a register number had to be built up in the C register, and then two instructions used, "C to data address" and either "C to data", or "data to C." These indirect data register addressing instructions are also still available.

ROM

The ROM consists of 10,240 bits of read-only memory, organized as 1024 words of 10 bits each. Four pages of microinstructions can be stored on one chip, and up to four chips can be addressed directly by the ACT circuit.

12-bit addresses are received on the instruction/address (Is) line, least significant bits first. The two most significant bits enable one of four chips to output instructions onto the Is line. Thus, up to 4096 microinstructions may be programmed in a maximum system. Unlike the HP-35 quad ROM, any 12-bit address sent to the ROM chip will be recognized, regardless of previous addresses.

Display Circuit

During each 56-bit word time, the ACT chip sends information to the ROM/display chip for displaying one digit. A character ROM in the display circuit converts the input to seven-segment format and then multiplexes through the segments sequentially. With a 12-digit display, the duty cycle for each segment is 1/96 or about 1%. This requires a peak current of 30 mA to maintain an average current of 300 uA. This is a relatively high current for MOS and requires devices well over 100 mils (0.25 cm) wide.

To allow the use of multiple ROMs without duplicating the display function, a mask option can eliminate all power consumed in this portion of the chip. Typically, ROM 0 contains the display function and all other ROMs do not.

Five of the characters in the display ROM may be reprogrammed to any seven-segment character. Three of these characters generate E, r, and o to spell Error.

Cathode Driver

In designing the cathode driver circuit for the HP-21 calculator, the main objective was to have a circuit with extremely low power consumption, a prime requirement for the HP-21 since only a two-cell battery pack is used. Functionally, the custom designed bipolar driver chip consists of a 12-bit shift register, twelve cathode drivers each with a current limiting feature, low-battery detection circuit, input buffer, and timing control gating. The 12-bit shift register turns on the twelve cathode drivers one at a time.

The LED digit display drive technique used in the HP-21 is different from that employed in the HP-35. In both cases the segment drivers (anode) and the digit drivers (cathode) are scanned one digit at a time, one segment at a time, but the HP-21 does it by switching dc voltages while the HP-35 uses an inductive charge-discharge method. When they are on, the anode drivers of the HP-21 are dc sources for the individual LED segments, while the anode drivers for the HP-35 drive each LED segment indirectly by first charging an inductor which then discharges through the LED segment. The HP-21 method requires significantly fewer components.

Acknowledgments

The authors would like to thank the following people for their contributions to this project: Bosco Wong for the design of the cathode driver chip, Les Moore for the assembly and debugging of the breadboard, Mark Linsky for the design of the power supply and recharger, Ed Liljenwall for the industrial design, and Ernst Erni and Chung Tung for their support throughout the project.

Packaging the New Pocket Calculators

by Thomas A. Hender

Objective: design a "shirt-pocket" calculator package for minimum factory cost, with reliability equal to or better than that of the HP-35 family. HP quality standards must be maintained.

Shirt-pocket size was achieved by reducing the number of keys from 35 to 30 (one less horizontal row) and by spacing the keys closer together. Spacing is the minimum deemed comfortable for the majority of users. Also, the display was reduced from 15 to 12 digits, and decimal points share positions with their digits.

The HP-21 uses only two rechargeable size AA Ni-Cad batteries instead of the three required in the HP-35 family. This feature saves almost thirty grams of weight. The total weight of the HP-21 is 165 grams. Apart from the obvious weight saving accompanying its smaller size, the HP-21 package contains fewer parts: no backbone support, no key-spacing grid and no display window welding frame. Structural rigidity is designed into the monocoque or box shape of the battery compartment in the bottom case, and in the heat-staked egg-crate configuration of the top case and keyswitch printed circuit assembly (plastic posts on the top case fit through holes in the keyswitch printed circuit assembly: heat is then applied to deform the ends of the posts and rivet the two parts together).

Lower production costs of this package are mainly due to minimal assembly time, including testing. Only two screws fasten the HP-21 together--a reduction of ten from the HP-35. The display is an integral plug-in assembly. Modular construction eases handling and any necessary touch-up operations; for instance, there are no electronic components or soldering on the keyswitch printed circuit assembly.

The battery pack case doubles as part of the calculator's bottom outside surface, eliminating a separate battery- retaining panel. The battery jumper spring provides the force that holds the pack in the calculator, so latches are not needed. Battery terminals are automatically assembled into the logic board during fabrication. This feature eliminates the manual wiring and terminal fastening required in the previous generation's design. The ac terminal pins are mounted similarly. Electrical integrity is provided by a flow-soldering operation which connects all electronic components to the logic board. All keys except the blue prefix key are molded in two clusters, which are mechanically separated during loading into the keyboard bezel. This reduces the number of parts handled from thirty to three and minimizes assembly operator errors and fatigue. That this innovation works is largely because of the creative efforts of the plastic mold designers and craftsmen of the HP Manufacturing Division, whose continuing high standards of excellence contributed much to the success of the HP-21. The over-center breakaway tactile feel of our former calculator keys has been retained, and the molded design of the key- strip actuating surfaces on the undersides of the keys eliminates the control bumps needed on earlier models.

Acknowledgments

I want to express my thanks to Tom Holden and Craig Sanford for their fine assistance in the design and documentation of this package and to Denny Thompson and his group and to Bill Boller of the HP Manufacturing Division for seeing to it that necessary things were done on time. Finally, recognition is due to the cooperative people in production and to Gabe Bonilla and Cliff Planer of the model shop for their painstaking efforts, particularly during the concept phase of the project


Richard E. Whicker

Rich Whicker, project leader for the HP-21 series, graduated from the University of Illinois in 1966 with a BSEE degree. For the next six years he did MOS logic design for a semiconductor company, then continued in that specialty after joining HP in 1972. Born in I San Francisco, Rich now lives in Santa Clara, California. He's married and has three children, a daughter and two sons. For a change of pace from the job Rich plays piano, builds radio controlled models and, like a bus driver who goes for a drive on his holiday, works out electronic ideas of his own.

Michael J. Cook

Mike Cook developed the ACT chip for the HP-21 series. He joined HP in 1973 with an extensive background in the design of MOS LSI circuits. Born in Watford, Hertfordshire, England, Mike earned his BSc and MSc in electrical engineering at the University of Southampton in 1963 and 1966, then came to the United States to work for an aircraft company as a systems designer. Later he joined a semiconductor company, designing more than 50 MOS LSI circuits and serving briefly as MOS applications and marketing manager for that company in Germany. He speaks German and French as well as English and is a student of comparative linguistics. Mike is married, has three daughters, and lives in Cupertino, California. His interests include classical music, color printing, and sketching

Thomas A. Hender

Tom Hender was responsible for the product design and packaging of the HP-21 series. Born in Cobourg, Ontario, Canada, he served in the Royal (British) Navy during the second world war, then attended British Admiralty College (Devonport Division), graduating in 1947 with a BSc degree in mechanical engineering. His engineering career includes work on punched-card machines, line printers, point of sale terminals, and related peripheral mechanisms He joined HP in 1973 Tom is married, has three daughters, and lives in San Jose, California. He serves his church as choir director and enjoys photography, chess, and model railroading.

George M. Fichter

George Fichter designed the read-only memory for the HP-21 series, A native of New York City (Brooklyn), he graduated from Stevens Institute of Technology with a BS degree in 1965, spent six years as a U.S. Air Force meteorologist and then returned to school at the University of Washington, earning a BSEE degree in 1972 and an MS in computer science in 1973. He joined HP in 1973 George is married and has a son and a daughter. An accomplished musician, he plays French horn and experiments with computer music using an HP 2100 Computer. He's also learning to fly and hopes to get hopes to get his private pilot's license this year. The Fichters live in Los Altos, California.

Go back to the HP Journal library
Go back to the main exhibit hall